防爆溢流控制系统应用简介
防爆溢流控制系统是华荣防爆在线监测分析系统之一,广泛用于石油、化工、加油站、油库、付货台、槽车装卸时等场景的监视保护,通地溢流保护器与定量装车系统连锁控制,可有效避免溢流事故发生,因而在相关行业得到广泛应用。
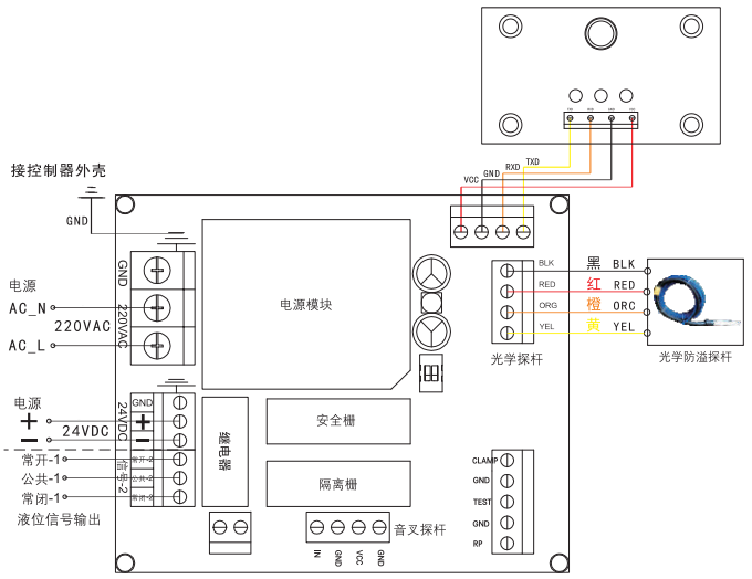
防爆溢流控制系统主要由防爆溢流控制器、防爆接线箱、通过溢流信号、连锁信号、远程报警器、耐腐蚀螺旋线等组合而成。适用于爆炸性气体环境1区、2区场所,ⅡA 、ⅡB爆炸性气体环境,T1~T6组温度组别。溢流信号由光学防溢探杆进行液位监控,对“溢出”状态提供联锁信号给DSC/泵(阀门),通过三色指示灯反应到防爆溢流控制器。防爆溢流控制器、防爆接线箱采用铝合金外壳,隔爆型设计,防爆性能稳定可可靠。
华荣防爆在线监测分析系统除防爆溢流控制系统外,还有防爆静电接地控制系统、可燃(有毒)气体监测系统等,在石油、化工等行业应用广泛。华荣防爆在业内以产品齐全,系列丰富而著称,可满足项目一站式整体采购。更多产品详情欢迎致电010-56358656,华荣有30多年防爆技术和多年防爆项目经验真诚为您服务!
下一篇:防爆静电接地控制系统(人车两用)
上一篇:防爆地极保护器BOB580




