高效节能智能型防爆照明配电箱
适用范围
适用于爆炸性气体环境1区、2区
适用于ⅡA、ⅡB类爆炸性气体环境
适用于可燃性粉尘环境21区、22区场所
适用于T1~T6组温度级别
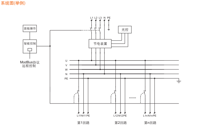
适用于现有照明电气回路的节能改造系统中,提高系统照明效率、智能化控制系统
适用于爆炸性气体环境1区、2区
适用于ⅡA、ⅡB类爆炸性气体环境
适用于可燃性粉尘环境21区、22区场所
适用于T1~T6组温度级别
适用于现有照明电气回路的节能改造系统中,提高系统照明效率、智能化控制系统
订购热线:010-56358656
技术参数 华荣防爆,海外项目的放心选择!
产品特色 华荣防爆,海外项目的放心选择!
联系华荣
- 服务商:北京华荣伟业科技有限公司
- 服务热线:010-56358656手机:13552513957
- 邮箱:ys@warom.com QQ:2116943108
- 公司地址:北京市丰台区郭公庄中路20号
采购:高效节能智能型防爆照明配电箱
- *联系人:
- *手机:
- 公司名称:
- 邮箱:
- *采购意向:
-
*验证码:
跟此产品相关的产品 / Related Products

- WRSJ-V80 防爆手持智能终端
- 适用范围
适用于防爆、电力、应急、警务、司法等行业从业人员,助力行业数字化转型
适用于IlA、IIB、IlC类爆炸性气体环境中的1区、2区危险场所;
温度组别:适用于T1~T4组场所;
大气压力:80KPa-106KPa

- 有限空间检维修作业专用摄像仪
- 适用范围
适用于危险场所检修现场,空间有限场所或危险作业环境复杂等场所;
适用于IlA、IIB、IlC类爆炸性气体环境中的1区、2区危险场所;
适用于IIIA、IIIB、IIIC类爆炸性粉尘环境中的21区、22区场所;

- 无线可燃/有毒气体探测器
- 探测原理
低功耗催化燃烧式/低功耗红外/电化学式
防盗、防倾声光报警
非接触式磁控开关机





